Nombre Parcourir:13 auteur:Éditeur du site publier Temps: 2025-02-17 origine:Propulsé
◆ Site Web de langue espagnole officielle VPC
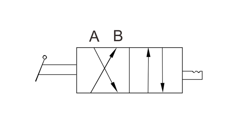
Dans les systèmes pneumatiques, le symbole du circuit de contrôle de l'électrovanne est un diagramme schématique utilisé pour décrire sa fonction, généralement composée d'une boîte , de boîte , de ' t ' et de caractères anglais.
Le diagramme de l'électrovanne montre la logique de connexion et de contrôle de la soupape de solénoïde dans le système. Le symbole de l'électrovanne dans le diagramme du circuit pneumatique suit les normes ISO 1219 et ANSI.
1. Position vs port
' Nombre de positions ': fait référence au nombre de positions de travail que la bobine de soupape de l'électrovanne a. Les cases du symbole graphique représentent les positions de travail de la valve, et le nombre de boîtes représente le nombre de positions.

' Nombre de ports ': fait référence au nombre de ports non interconnectés sur le corps de la vanne. Il est déterminé en observant le nombre de points dans le carré qui se croisent avec la ligne de flèche et la ligne t . Les deux extrémités de la ligne de flèche représentent deux ports, T représente un port et le nombre de points est le 'Nombre de ports '.
PORT 2 POSITION 3
PORT 2 POSITION 5
2. Symbole de l'électrovanne

① ' □ ' Indique la position de la bobine de soupape, qui est généralement de deux ou trois boîtes . Le nombre de boîtes indique le nombre de positions '' . La boîte près de la bobine représente l'état de la bobine de soupape lorsque la bobine est sous tension , et la boîte près du ressort représente l'état du noyau de la valve lorsque la bobine est dérangée et le ressort est réinitialisé.
② '→ ' indique que les deux ports sont connectés , mais la direction de la flèche n'indique pas nécessairement la direction réelle du flux d'air (la direction spécifique est soumise à la situation réelle ).
③ '┻ ' ou '┳ ' indique que le port est fermé.
④ Le nombre d'interfaces connectés à l'extérieur de la case indique le nombre de 'ports '.
⑤ Le modèle à gauche représente la bobine de solénoïde.
⑥ Le motif à droite représente un ressort.
⑦ Les caractères anglais représentent les ports du corps de la valve, qui sont le port de travail , d'origine et le port d'échappement . Ils sont divisés en trois, quatre voies et cinq voies.
- Port d'entrée (P): Connectez-vous aux unités de traitement de l'air.
- Port de travail (A et B): Connectez-vous à l' actionneur ou à l'appareil pneumatique .
- Port d'échappement (R et S): Connectez-vous au silencieux.
* L'état des ports sous chaque case est différent, ce qui signifie que la méthode de connexion des ports à différentes positions de la bobine de soupape a changé.

3. Type de symbole de l'électrovanne
4. Types d'électrovanne
① Basé sur la méthode d'opération
Électrovanne à action directe : Utilisez directement la force électromagnétique pour pousser la bobine de l'électrovanne pour obtenir la marche du chemin d'air. Travaillez sous basse pression et faible débit. Temps de réponse rapide.
Salle de solénoïde pilote pneumatique : En vertu de l'action de la force électromagnétique, la soupape pilote est ouverte en premier pour permettre à l'air d'entrer dans la chambre à air de la bobine de soupape , et la pression d'air est utilisée pour pousser la bobine de l'électrovanne pour obtenir la connexion et la déconnexion entre l'air circuits. Convient aux applications à haut débit et à haute pression.
② en fonction de la configuration du flux
| Type de soupape | Ports / positions | Fonction | Application |
| Valve solénoïde 2/0 | 2 ports - 2 positions | Type de base . Habituellement utilisé pour contrôler l' angle et le désactivation d'un certain liquide. | Convient pour des applications telles que l'arrêt de l'alimentation en air et le contrôle du fluide. |
| Valve de solénoïde 3/2 voies | 3 ports - 2 positions | Utilisé pour contrôler les cylindres pneumatiques à action unique ou les vannes pilotes pneumatiques. | Couramment utilisé dans les opérations de départ et d'arrêt des circuits pneumatiques. |
| Solenoïde 4/2 voies | 4 ports - 2 positions | Contrôle la direction du débit d'air dans les cylindres pneumatiques à double action. | Utilisé dans les systèmes d'automatisation nécessitant un contrôle bidirectionnel. |
| Valve solénoïde 5/0 | 5 ports - 2 positions | Fournit un contrôle directionnel pour les actionneurs à double action. | Couramment utilisé dans les robots industriels et les machines automatisées. |
| Valve de solénoïde 5/3 voies | 5 ports - 3 positions | Permet des positions d'arrêt intermédiaires pour un contrôle précis. Types de positions centrales: Pression centrale , du centre d'échappement , central. | Pour une utilisation dans des systèmes pneumatiques avancés nécessitant une gestion précise du flux d'air . |
Ce qui précède est une explication du symbole de l'électrovanne. Si vous avez des questions sur la maintenance de l' , application , de sélection ou les paramètres techniques des soupapes de solénoïde ou d'autres produits pneumatiques, n'hésitez pas à contacter VPC.
Nous vous fournirons des réponses détaillées et un support technique pour vous aider à optimiser les performances et l'efficacité de votre système pneumatique!
Aucun produit trouvé